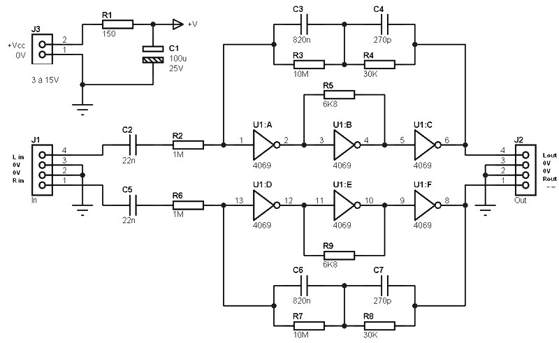
The simple RIAA preamplifier circuit is just to show that we can sometimes change the role of a component. It is possible to use this type of inverting logic gates CD4069 for the read head signal amplification for vinyl turntable. The same thing can be considered for a microphone preamp.
Using logic gates to amplify the signal?
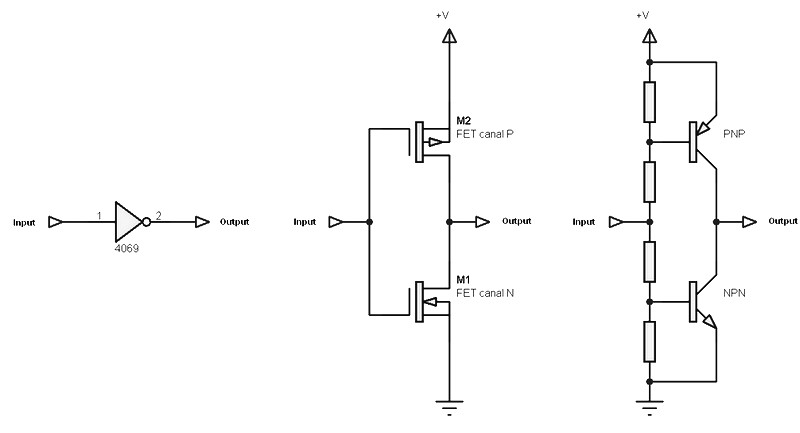
But how on earth this possible! Well to find out, just looking for ways to make pre-amp, using the gate of the logic circuit type CD4069. Look at the diagram above.

The diagram shows the schematic of the center of one of the six internal gates is contained in the CD4069, which consists of two field-effect transistors. The diagram on the right represents a kind of equivalent to a conventional bipolar transistor. The four resistances of the two schemes have a very high value of several hundred Mega ohms.
Input
Inputs made via a of 22 nF coupling capacitor, this value is enough to get the lower sound spectrum at a value as low as 10 Hz the input impedance is very high indeed, it being related to the technology for CMOS gates.
Why three logic gates and not one?
For low distortion, which is fixed by a maximum of 0.1%, the rate of reaction-cons must be at least 1000. With only one gate is a little too tight, and two is more than enough. But as it is entitled to a reverse phase (180 degrees) with each logic gate, the use of two gates leads to a rephasing of the output from the input. Which is not suitable for mounting against feedback. Therefore a third gate was added to operate a new phase inversion. The value given to the resistor R5 to left channel (and R9 to the right channel) is low for this reason: no need to have a high gain for the third driver.
Power must be single, and may be between 3 V and 15 V. In practice, a voltage of 2V is also sufficient for the voltage drop of logic gates is much lower than that of the op amp.
