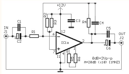
This is the simple and easy to build video amplifier circuit based IC LM359. The LM359 is a Dual, high speed, programmable and Current Mode (Norton) amplifier chip which can be used for general purpose video amplifiers.
Parts List
| R1=1Kohm R2-3=12Kohm R4-5-6=10Kohm C1=10nF 100V C2-6=100uF 25V C3=100nF 100V |
C4=1pF ceramic C5=10nF 100V C6=100uF 25V IC1=LM359N J1-2=BNC connector |
Video amplifier frequency response:

About LM359:
The LM359 consists of two electric current differencing (Norton) input amplifiers. Design emphasis has been installed on acquiring high frequency functionality and giving user programmable amplifier operating characteristics. Each amplifier is broadbanded to deliver a high gain bandwidth product, fast slew rate and stable operation for an inverting closed loop gain of 10 or bigger. Pins for extra external frequency compensation are available. The amplifiers are intended to work from a single supply and can accommodate input common-mode voltages higher than the voltage supply.
LM359 Applications:
- General purpose video amplifiers
- Photo-diode amplifiers
- High frequency, high Q active filters
- Wide frequency range waveform generation circuits
- All LM3900 AC applications work to much higher frequencies
Circuit references:
- LM359 datasheet document: Download
- Video Amplifier Circuit based IC LM359, circuit source: users.otenet.gr

