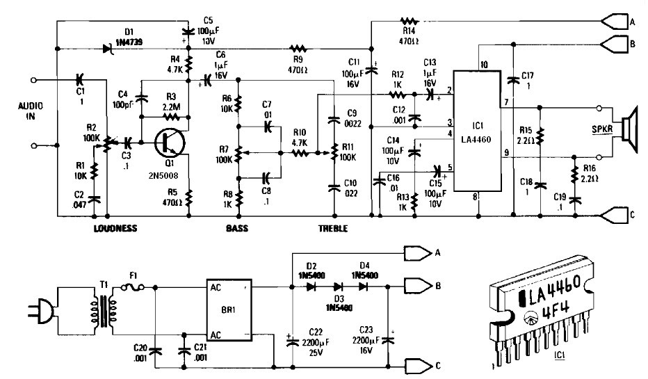
This 5 W audio power amplifier is built for general purpose and can drive speakers approximately 8 to 12 inches. This 5W power amplifier circuit is based on the Sanyo LA4460 IC which used as an audio output.
This Low-power amplifier circuit have built in loudness control, driver amplifier Q1, and the bass/treble controls of around ± 10 dB boost / cut. It would be useful in a wide variety of situations. Either displayed ac supply can be used, or 12 VDC supply can be connected to points A & B (positive) and C (negative).
For stereo circuit can be used two of this circuit by using ganged potentiometer at R2, R7 and R11. T1 is 12V at 1 ampere plug-in transformer.
Notice :
IC1 should be mounted with the heatsink. Power output is around 5 W.
A 4 “x 2” x 0.050 “aluminum heatsink should be sufficient.
