200 Watt MOSFET Amplifier

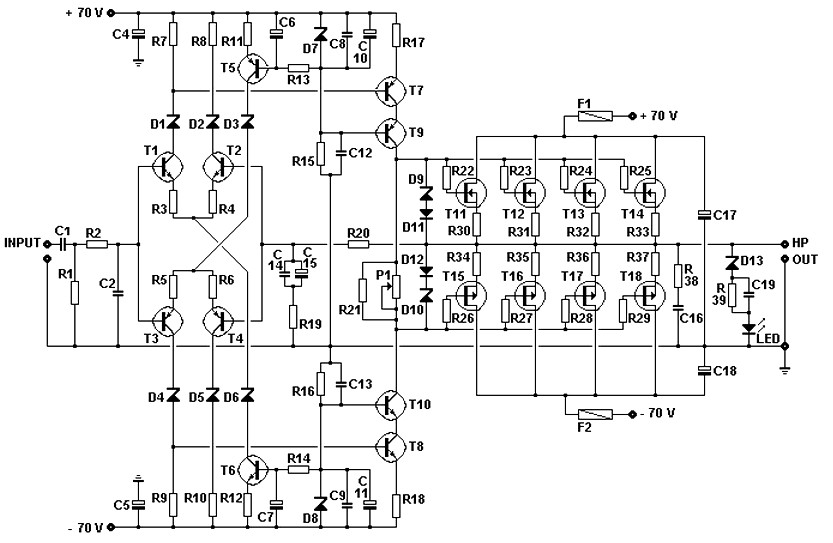
200W MOSFET amplifier circuitThis 200 Watt MOSFET Amplifier circuit based on traditional diagrams : a symmetrical differential input stage, a cascode stage driver and a MOSFET output stage. It’s very easy to be built with common components, and inexpensive. The circuit is very compact and consists of two subsystems : the control stage and output stage.

This circuit have Power output is 200 Wrms in 8 ohms or 350 Wrms into 4 ohms. Less than 0.02% distortion, damping factor greater than 300, the ratio signal / noise 112 dB (A balanced at full power), input sensitivity is 1.2 volts (200 W / 8 ohms).

Current source of + / – 1 mA carried around T5 and T6. Diodes D1 to D6 allow the use of low-noise type BC560C and BC550C transistors, transistor T7 to T10 is the driver stage. Potentiometer P1 allows setting the quiescent current of 100 mA per output transistor.

Symmetrical power entrusted to the large transformer 625 VA, 2 * 51 volts + bridge rectifier and 4700 uF capacitor 6, which gives the output voltage of + and – 70 volts per rail.

Note :

  • The capacitor C3 is not reproduced on the diagram and on the PCB (it is correct).
  • Transistors T9 and T10 must be assembled on a common heatsink with 5° c/w thermal resistance or on the output stage heatsink.
  • The ground (earth) points of PCB’s and loudspeaker ground (earth) must compulsorily be connected in star with the 0 Volts of the PSU.
  • The power transistors must be assembled on a heatsink with a thermal resistance less than 1 ° C/W. They must also be electrically insulated from the heatsink by using a mica insulator + heat-conducting compound or a silicone insulator.

 

Leave a Reply

Your email address will not be published. Required fields are marked *

This site uses Akismet to reduce spam. Learn how your comment data is processed.