Preamplifier for magnetic phono cartridges

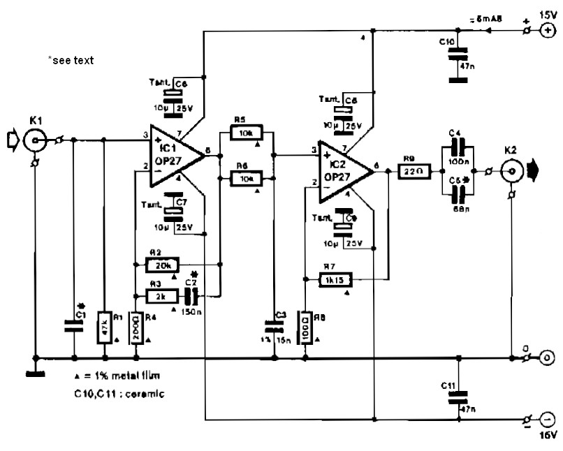
Preamplifier for magnetic phono cartridges This amplifier circuit is intended to be added to the preamplifier which does not have a phono input. Such a phono input is required for normal record players with a dynamic pick-up, of which millions are still around. Moreover, the amplifier does not only bring the output of the pick-up to line level, it also adds the correction to the frequency response (according to RIAA requirements).

When recording gramophone records, the frequency characteristic is lifted at the high end. This lift must be countered in the playback (pre)amplifier. The corrections to the frequency response characteristic are according to a norm set by the Record Industries Association of America (RIAA) and also by the IEC.

The corrective curve provided by the amplifier is shown in the graph (bold line). The thin line shows the ideal corrective curve. The sharp bends in this at 50 and 500 Hz are nearly obtained in the practical curve by network R3/C2; just above 2 kHz is approached in practice by filter R5/R6/C3. The arrangement of R3/C2 in the feedback loop of IC1 gives noticeably better results than the usual (passive) filter approach.

IC1 provides a do amplification of 40 dB, which drops to about 20 dB when the frequency rises above 500 Hz. To minimize the (resistor) noise and the load of the op amp at higher frequencies, the value of R3 is a compromise. The associated polystyrene capacitor, C2, should have a tolerance of 1 to 2%.

To raise the 2-mV output of the dynamic pick-up to line level at 1 kHz, linear amplifier IC2 has been added. This stage has a gain of 22 dB, so a signal of 250 mV is available at its output.

Capacitors C4/C5 at the output, in conjunction with the input impedance of the following preamplifier, form a high-pass filter with a cut-off frequency of 20 Hz; this serves to suppress any rumble or other low frequency noise. The value of C1 is normally given in the instruction booklet of the dynamic pick-up.

The power supply for the amplifier must be of good quality. Particularly, the transformer should be class Al with a small stray magnetic field.

When the amplifier is built into the record player (best), the power supply should not be included unless it is very well screened; otherwise, hum is unavoidable.

Leave a Reply

Your email address will not be published. Required fields are marked *

This site uses Akismet to reduce spam. Learn how your comment data is processed.