Pre Amplifier with low impedance input

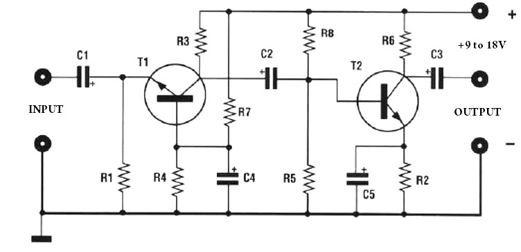
Low impedance pre amp circuit diagramPreamplifier circuit diagram shown here has a low impedance input characteristics, therefore is suitable for use with magnetic transducers: dynamic microphones, low-impedance magnetic heads, sensors phone.

Amplification of this low impedance input pre amp is therefore very high, whether to reduce, there should be a trimmer R3 series to 100 ohms. The system can be powered by a voltage of between 9 and 18Volts. for its realization, follow the diagram layout.

LIST OF ELECTRONIC COMPONENTS :
All resistors are 1/4 watt unless otherwise specified.
R1, R2 = 1Kohm
R3, R4, R5, R6 = 10Kohms
R7 = 100Kohms
R8 = 100Kohms
Cl = 100uF 16V elec.
C2 = 10uF 16V elec.
C3 = 4.7 uF 16V elec.
C4, C5 = 47uF 16V elec.
T1, T2 = BC237
A 9 volt battery clip.

Leave a Reply

Your email address will not be published. Required fields are marked *

This site uses Akismet to reduce spam. Learn how your comment data is processed.