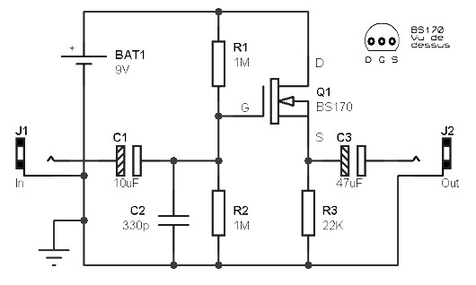
The circuit is called a guitar preamp, but actually not, because the gain is close to 1. However, due to its impedance, thereby allowing transmission with better sound quality using a long cable between the guitars and amps.
The Guitar pre amp circuit is based on a FET-type BS170, and require very little support components. The polarization of the gate (G, gate) of FET is provided by two resistors R1 and R2. Both resistors are also to set the input impedance of the assembly, which here is close to 500 ohms. The original scheme, the second resistor set at 92K each, and keep the input impedance of less than 50K, which may be too tight to plug the guitar.
BS170, As usual with this type FET or MOSFET power transistors smaller (TO92 plastic housing in particular), you should check the pin manufacturer in the document (datasheet), with consideration for the brand, because the manufacturers do not necessarily offer the same pinouts for the same component model. The BS170 is here using the Motorola brand and pinout is as follows.

Hi Dera How are you . I have problem for this pree amp making because of this transistor is not avail able in our country.Please give me concern for common and alternative transistor .
Thanks
Jahir
Bangladesh
I don,t know exactly the type of MOSFETs sold in your local market. But as I know BS170 can be altered by 2N7000, if this type is still not there, you can search cross reference for it. Or ask directly at your local electronics store.
What do you mean, with two 1M resistors on the bias circuit, you get 500 ohms on the input. Wouldn’t the 1M resistors on R1 and R2, mean that the input impedance is R1+R2 = 500,000 ohms?