2.6W Two Channel Amplifier based MAX9751

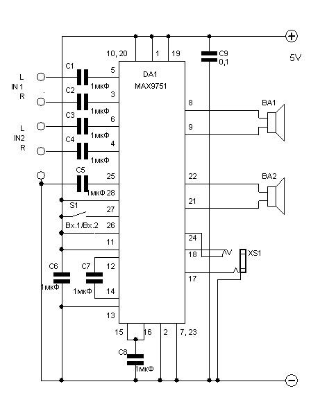
2.6 Watts Power Amplifier.This amplifier circuit based MAX9751 IC which work on the 5 Volt voltage, unipolar, and a 2.6 Watt power output per channel. In addition, there is a headphone output with separate amplifier and the input selector inputs – you can connect two sources of signal.

Characteristic :

Supply voltage : 4,5V-5,5V
Supply current absence of a signal : 14mA
Output power (max) : 2.6W
THD (P = 1W, RL = 4 Ohm) : 0.02%
S / N ratio : 90dB
Frequency range 22-22000Hz

A few more words on the chip. This is a bridge amplifier class AB integrated into the protection against overheating, short circuit protected outputs, suppression of inrush current when you turn on and off the amplifier.

Parts list :

Components Value
C1 1uF
C2 1uF
C3 1uF
C4 1uF
C5 1uF
C6 1uF
C7 1uF
C8 1uF
C9 0.1
S1 Anyone with a fixation
XS1 Headphone jack – depends on the headphones
DA1 MAX9751

Datasheet can be downloaded here.

Leave a Reply

Your email address will not be published. Required fields are marked *

This site uses Akismet to reduce spam. Learn how your comment data is processed.