The 100W audio power amplifier is powered by the integrated circuit LM12CLK which is operational power amplifier. The monolithic IC can deliver 80W of sine wave power into 4Ω load with 0.01% distortion. Power bandwidth is 60 kHz .. Important features of IC LM12CLK include : controlled turn on, overvoltage shutdown, output-current limiting, dynamic safe-area protection, thermal limit, Input protection
This amplifier allows to operate at 2 Ω output impedance and gain 150W of power. For savety and system stability, this 100W audio amplifier is designed to work with 4-Ω speaker to gain the power of the 100W RMS.
Coil L at the outlet is formed by 14 turns of wire 18, in 1-inch air core. Given their unusual resistance value of 1.1 kΩ must be accurate. While the output resistance (in parallel with the coil) must be at least 2W of power. Electrolytic capacitors should be 50V or 63V.
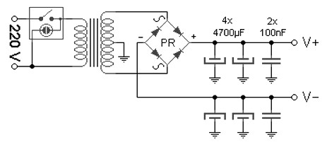
100 W audio amplifier power supply
The 100W power amplifier circuit requires a voltage symmetrical + / -24 V DC and current 5 A.
100 W audio amplifier parts list :
R1 : 1 k
R2 : 1.1 kΩ
R3 : 3.3 kΩ
R4 : 2.2 Ω
C1 : 2.7 nF
C2 : 4700 uF
C3 : 4700 uF
D1 : 6A2
D2 : 6A2
IC1: LM12CLK
4 Ω speaker SPK

