Quad amplifier 40W

40W 4 channel audio amplifierThis circuit provides a total of four speakers 4 ohms and 40W at 12v powered. It is therefore ideal for use in the car. Total harmonic distortion is rather high, about 10% at full power. But with half the power requirements (20W) is less than 2%. Anyway it is not intended to have a high performance system in the car.

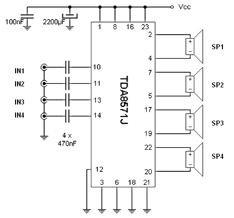
With the integrated audio TDA8571J designed for automotive applications, this 40w amplifier circuit can expand the sound of the car radio or connect a portable MP3 player in it. Internally, the chip has eight operational amplifier set on the bridge, allowing each speaker terminal being energized. Dont connect the negative terminal of the mass of the speaker, because they will produce a short circuit on the output.

As usual in these kinds of development, the heat dissipation is an important factor forproper cooling to ensure stable operation, but poor ventilation can destructive circuit.Although it has an internal thermal overheating protection, is still destructive.

If you want to use it at home (not recommended), you should use a 12V source capable of draining up to 250w at 12v. Remember that filtering is a key source of success in anyaudio installation. Use a large electrolytic capacitor to eliminate riple and, in turn, foreliminate the RF ceramic capacitors.

For input using shielded cable and RCA female plugs. To connect to the car radio is recommended that you put between it and the amplifier a passive equalizer, In addition to controlling the tone voice, also can reduce in signal strength.

In the audio car application should be very careful where you get power because the system requires a large amount of power. Placing it on top of the light rail is possible to damage the vehicleelectrical system or, alternatively, you can blow the fuse. A good alternative is to place itdirectly from the battery of the car and switch the power through the relay coil halogenlamps which connected in parallel to the antenna output power or control of existing equipment.

Leave a Reply

Your email address will not be published. Required fields are marked *

This site uses Akismet to reduce spam. Learn how your comment data is processed.