This 50W amplifier circuit is designed for quad power stage on computers equipped with sound cards MonsterSound Diamond MX300. With this circuit we get 200W output power with a total harmonic distortion of less than 0.01%. Somewhat classified as High-End Audio.
The audio signal from the sound card enters the operational amplifier by pin 10 (non-inverting input). A 1μF capacitor passes only the audio signal, blocking the DC component that may exist. A 10K potentiometer (optional) lets you adjust the input limit. At the output a 20K resistor performs the feedback through the inverting input while a set RL power output coupled to the speaker. This set consists of a coil of 10 to 15 turns of wire 1.5mm on a resistance of 10 ohms / 2 watt. Two electrolytic decouple the power supply and a jumper controls the mute (silence) which is activated by opening the switch. The 100μF capacitor with the 47K resistor act as input delay, avoiding noise when connecting the power.
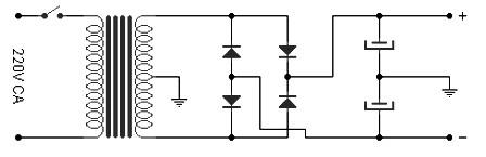
COMPUTER AMPLIFIER POWER SUPPLY:
The power supply must provide symmetrical 70VCC (35 +35) with a current of 6A.

Diodes are 100V / 8A and can be replaced by a bridge rectifier. Electrolytic capacitors are 10000μF / 50V. The transformer is 220V in his primary and secondary 50V at its midpoint and current 6A for a quad configuration.
HEAT SINK FOR SOUNDCARD AMPLIFIER :
Here is an economical solution to the problem of cooling. Instead of putting a large aluminum heatsink on each chip, it would be better to install the heatsink used in the Pentium computer chip. Yes, they are small metal 5cm x 5cm with a fan that carries a mini screw.
In fact the size of the heatsink is not adequate, but with the fan running at maximum output power amplifier is not even heated. Although it runs for a full weekend without the temperature rise.
To turn on the fan motor just put in the main line of supply current limit (causing a voltage drop) through a 100 ohm resistor and 5 watts. Every fan should have its own resistor. We recommend hanging two fans to the positive (and mass) and two fans to the negative (and mass). This charge is equal for both phases. To turn on the fan motor just put in the main line of supply current limit (causing a voltage drop) through a 100 ohm resistor and 5 watts. Every fan should have its own resistor. We recommend hanging two fans to the positive (and mass) and two fans to the negative (and mass). This charge is equal for both phases.
