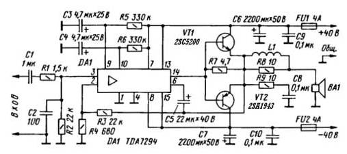
Monoblock Car Amplifier circuit TDA7294 is based on an article “Improving the power amplifier IC TDA7294” Journal of the radio, № 11 2005. This mono car amplifier has a sufficiently high reliability, high capacity, high-quality bass. Monoblock Car Amplifier circuit is shown above. The difference from the original circuit only in the output transistor using a better replacement.
All non-electrolytic capacitors, except for C2, film, 1 uF input capacitance can be replaced 2.2uF. Power of resistors are selected using a 0.25W, although 0.125W is still insufficient. Output transistors of Monoblock Car Amplifier mounted bent and pressed so that their position parallel to the board, to remove heat, a heatsink for transistor 2SC5200 and 2SA1943 and is required. Do not forget to provide insulation and thermal paste between the heatsink and transistors. Inductor L1 frameless, coiled wire diameter of 1 mm in two layers and contains 25 turns, the inner diameter of 5 mm.


thanks for share…
Please guide what power supply to use if intended for AC not battery