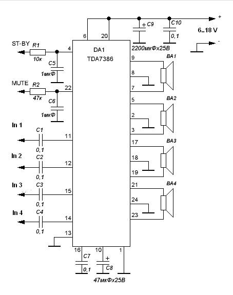
LF power amplifier built on a chip TDA7386. This is a simple power amplifier which very easy to assemble, but at the same time having good characteristics quad amplifier. It’s possible to use this circuit for surround sound system.
Features :
Power supply, …………………… 6. .. 18 V
Input Impedance …………….. 100 ohms
Output Power ………………… …. 4×30 W
Frequency … ………….20 … 20 000 Hz
Parts list : R1 : 10K R2 :47K C1...C4, C7, C10 : 0.1 uF C5...C6 : 1uF C8 : 47uF/25V C9 : 2200/25V DA1 : TDA7386
