22 Watt Stereo Amplifier with Power IC TDA1554

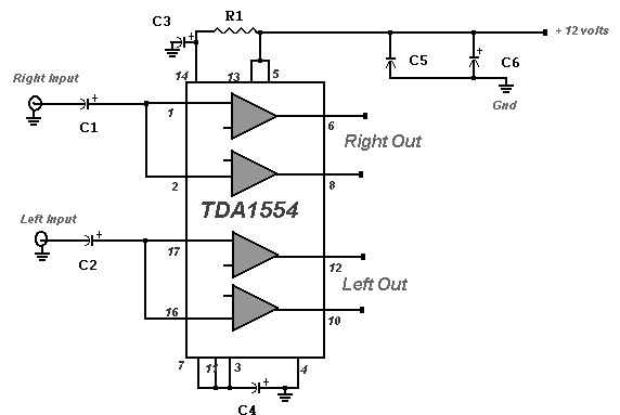
22 Watt Stereo AmplifierThis is the basic circuit of the 22 Watt Stereo Amplifier with IC TDA 1554. This circuit can be used for audio home amplifier and car audio amplifiers. It is extremely simple design, inexpensive and very easy to build. Even a newbie hobbyst will easy assemble this circuit.

This circuit requires a 12V supply voltage that can be make your own or direct from your car battery.

Parts list :
R1 : 39K
C1,C2 : 10uF
C3 : 47uF
C4 : 100uF
C5 : 0.1uF
C6 : 2200uF/16 V
IC : TDA 1554

Leave a Reply

Your email address will not be published. Required fields are marked *

This site uses Akismet to reduce spam. Learn how your comment data is processed.