This is the circuit design of 21W class AB audio amplifier uses power transistors as the main part. It is a simple design, and simple to set up. Set the 10k trimmer to about half way and the 470 ohm trimmer to 0 resistance. Power up and set the quiescent current to 30mA by trimming the 470 ohm trimmer. Once done, measure the offset voltage. Trim the 10k so that between -30 and 30mV is measured. The amplifier should now be able to pump out just over 21W.
Technical Data:
Frequency response: 2Hz – 17kHz flat
THD: Once again, very low (I haven’t measured it yet). It won’t be audible
Gain: 29.87dB (600mV for 21W into 8 ohms)
The gain can be modified by changing the 100k feedback resistor to a 470k resistor and the 10k in series with the input to a 33k. This will increase the input impedance significantly and the new gain will be 21.58dB (~1.6V input for 21W into 8 ohms). This suits my application for the amp. Just remember that changing these resistors will change the output offset voltage, so if you’re going to experiment by changing the feedback loop, do it with a cheap, single driver speaker if you’re experimenting with a speaker connected. Also readjust the offset and quiescent current!
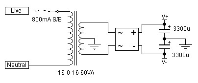
Power Supply for 21W Class AB audio Amplifier Circuit


