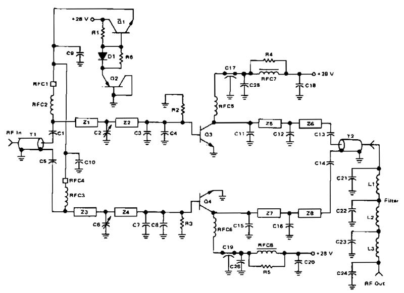
100W PEP 420-450Mhz PUSH-PULL LINIER AMPLIFIER

100 watt linear amplifierThis is 100 watt linear amplifier and may be built using two MRF309 transistors in push-pull, requiring only 16 watts drive from 420 to 450 MHz.

The 100 watt linear amplifier operating from a 28 volt supply, 8 dB of power gain is achieved along with excellent practical performance featuring: maximum input SWR of 2:1, harmonic suppression more than-63 dB below 100 watts output, efficiency greater than 40%, circuit stability with a 3:1 collector mismatch at all phase angles.

100 watt linear amplifier Parts list :
Ti & T2 - Balun. Unbalanced to Balanced RG 58, I = 2.5"
R1 : 1 k, 1/2 W
R2 : 10 ohm 1/2 W
R3 : 10 ohm 1/2W
R4 : 5.6 ohm 1 W
R5 : 5.6 ohm 1 W
R6 :  2.7 ohm 1/4 W
Z1 & Z3 : Microstrip - W = 200 mils, I = 1 8"
Z2 & 24 : Microstrip - W = 200 mils, I = 300 mils
Z5 & 26 : Microstrip - W = 150 mlls, I = 300 mils
Z6 & Z8 : Microstrip - W = 150 mils, I = 1.4"
RFC 1,4 : Ferroxcube Bead 56 590-65-38
RFC 2,3 : 0,16 uH Cambion Molded Coil
RFC5, 6 - 1 Turn #20 Enameled Wire Wound on 5/16" Bolt
RFC7, 8 : VK200 20/48
C1,3,4,5,7,8,11,15 : Underwood 40 pF
C12,16 : Underwood 25 pF
C13, 14, 22, 23 : Underwood 18 pF
C9, 10, 18,20 : I uF Tantalum
C21, 24 : Underwood 10 pF
C2, 6 : Arco 403
C17.. 19 : Underwood J102. 1000 PF Feed Thru
C25, 26 : 0,1 uF, Erus  Red Cap
L1 : 24 nH, #14 Wire, I = 1.2"
L2 : 12 nH, #14 Wire, I= 0.6"
L3 : 24 nH, #14 Wire, I = 1 2"
Board : G10, cR : 5. t=0.062" , I = 8.0", W = 4.0"
Q1 : 2N5192
Q2 : 2N5194
Q3 : MRF309
Q4 :  MRF309
D1 : 1N4001

Leave a Reply

Your email address will not be published. Required fields are marked *

This site uses Akismet to reduce spam. Learn how your comment data is processed.