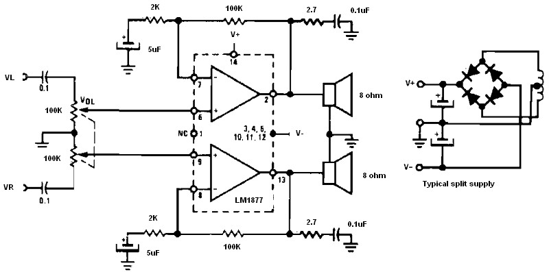
Non-Inverting Amplifier Using Split Supply

non inverting audio amplifierNon-inverting amplifier uses a dual audio power amplifier LM1877 type. This IC can deliver output power of 2 W per channel.

As the title that this circuit requires a dual power supply circuit as shown in the schematic above. This Non-inverting audio amplifier circuit may be applied to Multi-channel audio systems, stereo phonographs, tape recorders and players, AM-FM radio receivers, servo amplifiers, Intercom systems, Automotive products.

Leave a Reply

Your email address will not be published. Required fields are marked *

This site uses Akismet to reduce spam. Learn how your comment data is processed.