A Simple 20 Watts Amplifier

20 Watts amplifierThe scheme is very simple and if you decide to devote himself to the assembly of amplifiers and investigation of their activities, it makes sense to start with this amp.

Features :

Rated output power (RL = 4Ohm)
20W
Operating frequency range (for non-uniformity of 0.5 dB)
20 … 20000Hz
Conv. THD 0.7%
S / N ratio
-70dB
Nominal input voltage
1V
Input resistance
10Ohm
Supply voltage
+ / -25V

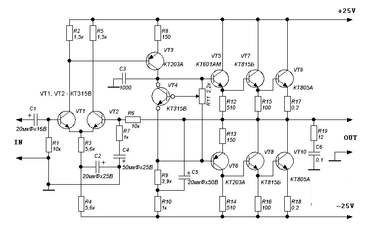
Setting up the amplifier is reduced to setting the quiescent current of the transistor VT9. In the gap of the collector wires included milliammeter and adjustable resistor R11 sets the current 50-70 mA. It then examines the absence of a constant voltage at the amplifier output with an accuracy of 0.1 W.

The whole setting is disabled when the load.
And do not forget to tightly attach the heat sink transistor VT4 transistors VT9. On this depends the temperature stability of the amplifier. You can, for example, hot melt glue or press the flange of the transistor VT9.

Leave a Reply

Your email address will not be published. Required fields are marked *

This site uses Akismet to reduce spam. Learn how your comment data is processed.