Microphone Amplifier with Noise Suppression

Mic AmplifierThe following microphone amplifier, in addition to its primary mission, will suppress common mode noise arising in the wire connecting the microphone and amplifier.

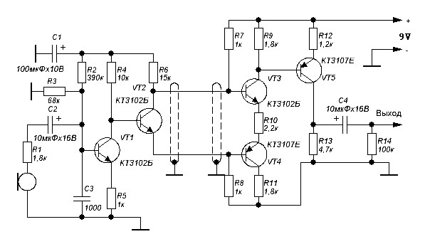
The circuit is divided into two parts. Left – is located in close proximity to the microphone, for example, in his case. The right-hand – anywhere – in the amplifier, a mixer. Connect these two pieces of two-wire, shielded cable.

How does it work? It’s very simple – a signal from a microphone, amplified the left side is fed to the right side, the input stage of which (VT3, VT4) is an accumulator with a phase shift of 180 degrees (the phase of the signal, not of what you think.) Thus, the useful signal coming out of phase two wire folded and its value is doubled. And the nasty in-phase noise are mutually self-destruct.

The input impedance amplifier – about 57 ohms. At assembly, the left side it is desirable to place a metal screen.

1 comment

Leave a Reply

Your email address will not be published. Required fields are marked *

This site uses Akismet to reduce spam. Learn how your comment data is processed.