Using a modern element base import, is not difficult to self-assemble high-quality audio amplifier. It will take only one chip firms TOSHIBA. You do not need adjustment, which implies the presence of costly instrumentation.
The electrical circuit of the amplifier is shown in Fig. 1. For its production is chosen in a typical IC TA8205AN inclusion. Usually it is applied to a Hi-Fi class due to low harmonic distortion. Suitable as a similar but more powerful: TA8210AN TA8215AN and (wiring diagram in this case does not change).
Unlike many other types, except for low harmonic distortion in the chip provides for work in standby mode, ie with low power consumption from the power supply in case the input DA1 / 4 zero. In addition, the amplifier provides a soft inclusion, eliminating the clicks in the speakers when power is applied.
To control the automatic switching of the amplifier in a cascade operation mode is executed on the elements of VT4, DD1, VT5, who works as follows. The signals from the output of the computer sound card comes through the capacitors C1 and C5 of the mixer FET VT1, VT2 (VT3 – repeater signal). This mixer is also used to separate the signal fed to the subwoofer amplifier.
Since the emitter of transistor VT3 signal through the C8-R6 to the base of VT4. Mode transistor VT4 is chosen so that in the absence of signal at the output – on its collector voltage was about 11 V, which corresponds to a trigger level of the log. “1.”
Since the log. “1” is present at pin DD1 / 9, the trigger switch when the first pulse as the input DD1/11.
On the flip-flop DD1 assembled one-shot, which outputs a pulse duration of about 90 seconds (while charging capacitor C13 through resistor R23). This signal is used to enable the operating mode of an audio amplifier when the transistor VT5 will be opened and the input DA1 / 4 there is a voltage supply.
This one-shot due to the use of the diode VD1 is inherent property of the restart, ie, while the input pulses appear DD1/11 zero – the capacitor C13 is discharged and the formation interval to delay trip will begin only after loss of signal. In this case, DD1/11 be a voltage level close to the supply and the diode VD1 to work the charging circuit is not affected.
Regulators R1 and R4 and allow you to restrict dual gain at high frequencies. The emission of the LEDs can be controlled HL1 finding the amplifier in operation.
The main technical parameters of the amplifier:
output power at 4 ohms – 2×10 W;
band of amplified frequencies 20 … 100 000 Hz;
Current consumption:
a) in operation at Vin = 0 up to 150 mA;
b) Stand-by up to 10 … 15 mA;
c) maximum up to 3 A;
Supply voltage can range from 9 … 16 V;
THD less than 0.1%.

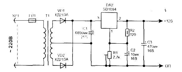
To run the power supply amplifier is ideal transformer-type TP60-17 and an adjustable regulator LT1084, Fig. 2.
All parts are marked in the diagram the dotted line, located on the circuit board from a one-sided epoxy-glass thickness of 1 mm in size 80/65 mm, Fig. 3. It contains three bulky jumper.

For normal use, the chip must be secured DA1 to the radiator area of not less than 200 square cm. (This can be a housing construction).

The scheme can be applied the following elements: adjusting resistors R1 … R4, R15 type Joint Venture – 33-32-0, 125 W (R1 and R4 twin – are located on one axis, you can use the same R2 and R3), R21 trimmer type SP- -19a, fixed resistors MLT or C2-23. Polar capacitors K50-35 type, and the rest of the series K10. Diodes VD1, VD2 can be replaced by any impulse, for example, KD522, KD503.
The overall dimensions of the device does not exceed 175/150/75 mm.
With proper assembly of an audio amplifier circuit to set up does not need. Trimmer R21 lets you change the sensitivity of the transistor VT3 to the level of the input signal. Usually, when the trigger fires when the input signal amplitude of the scheme about 10 mV.
When you connect the amplifier board to the power supply should be careful, as filing false polarity DA1 chip resulting in damage. Also unacceptable connection of output to the speakers at the circuit to ground power, because it uses the bridge bias adjustment.
source:www.radiosait.ru


