Almost all of the audio power amplifier if using integrated circuit amplifier as circuit shown here which is use M12CLK is an power operational amplifier. It allows an output stage operating at even 2 ohms impedance and gain power 150W. For stability and safety this system decided to make it work with 4 ohm speakers so we gain 100W RMS power.
The coil L at the output is formed by 14 turns of wire nr. The separation of the coils is not critical and might leave one beside the next. 
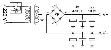
The transformer of the power supply must provide 24v + 24v AC in its secondary with a current of 5A for one stage (mono) or 10A for two stages (stereo). While four diodes can be used to make the source 15A is recommended to use a rectifier bridge metal and placed in the corresponding heat sink.
Given their unusual 1.1k resistor values should be accurate. While the output resistance (in parallel with the coil) must be at least 2W of power.
Electrolytic capacitors should be 50V or 63V.

si i want 24v single supply transistor power amp circuit kaudios.s@gmail.com