3W Stereo Audio Amplifier based Power IC BA5406

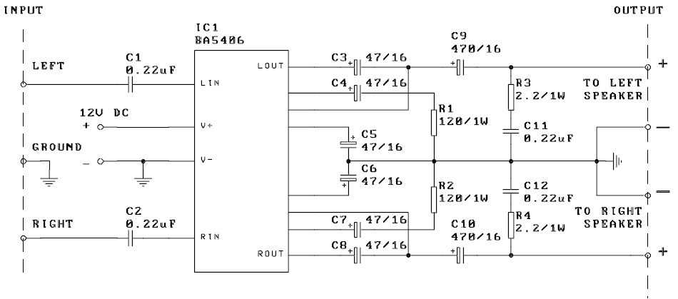
This is a simple, easy built and low cost circuit diagram of 3W stereo audio amplifier based power IC BA5406, a good general purpose stereo audio amplifier which can be used on it’s own or incorporated into existing equipment.

This power amplifier works on a simple 5-15Vdc supply. Designed with components for either 28dB (standard) or 46dB (high) gain output. The standard gain option is ideal for general audio applications and will be suitable with most pre-amps or PC sound cards, etc.

The BA5406 contains two sets of AF power amplifiers. It delivers 5W x 2 into 3 ohm loads with a 12V supply. It has minimal power-on pop noise and has immunity to supply voltage drop. It also has minimal RF radiation. Recommended supply voltage: 5-15V max, typical 12V. Quiescent current 20-70mA, typically 40mA.

Components List:

Resistors:
R1, R2 = 120R (120 Ohms)
R3, R4 = 2R2 (2.2 Ohms)

Capacitors:
C1, C2, C11, C12 = 0.22 uF (220 nF)
C3, C4, C5, C6, C7, C8 = 47 uF/16V (elco)
C9, C10 = 470 uF/16V (elco)
IC1 = BA5406

Audio Amplifier Specifications:

Power Supply 5 – 15Vdc
Current consumption 1 – 2 Amps
Output 3 Watts RMS/channel (4 Ohms, 12Vdc supply)
2 Watts RMS/channel (8 Ohms, 12Vdc supply)
2 Watts RMS/channel (4 Ohms, 9Vdc supply)
Output impedance 4 – 8 Ohms
S/N ratio > 85 dB, G=28 dB
> 68 dB, G = 46dB
THD < 0.5% @ 1W
Freq. response 40 Hz to 100 kHz -3 dB
(G = 28 dB, 8 ohm load)
50 Hz to 25 kHz, G=46dB
Gain 28dB standard gain or 46dB high gain (see Product Documentation link below for details)
Input level < 200 mV, for full output (G = 28dB)
20 mV, G = 46 dB
Input Impedance ~ 100K ohm
Amplifier Circuit

Share
Published by
Amplifier Circuit

Recent Posts

10-100W Class-D Power Audio Amplifier Using MD7120 MOSFET Driver

Class-D Power Audio Amplifier Using MD7120 MOSFET Driver This is the circuit design of Class-D…

3 years ago

Active Antenna Amplifier For FM Radio

This is the circuit diagram of active antenna amplifier for FM radio device. With only…

5 years ago

400 Watt 70 Volt Amplifier

This is the schematic design of 400 Watt 70 Volt amplifier capable to deliver about…

7 years ago

150W Power Amplifier using Transistor

This is the circuit diagram of 150W power amplifier which built using power transistors. The…

7 years ago

1000W Stereo Audio Amplifier with Transistors 2SC5200 and 2SA1943

This is the circuit design of 1000W stereo audio amplifier. It is a very good…

7 years ago

150W Car Audio Amplifier

This is the circuit design of 150W car audio amplifier. The circuit is divided in…

7 years ago