Categories: Other Amplifier

Headphone Amplifier SONY CXA1622P

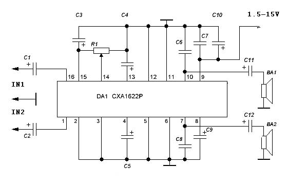
This circuit may be a bit expensive because it uses ic CXA 1622P from SONY. The CXA1622P is a bipolar IC developed as a power amplifier for radio compact cassettes with built-in pre-amplifier and power amplifier electrical volume.

Chip operates at supply voltage range 1.8-6V. THD – 0.7%. Frequency – 40-40000Hz. Resistor R1 is used to adjust the volume.

Parts list :
R1 : 50K variable resistor
C1, C2, C3, C9 : 10uF/10V
C4, C5 : 3.3uF/10V
C6, C7, C8 : 0.1uF
C10, C11, C12 : 220uF/10V
DA1 : CXA1622P
Amplifier Circuit

Share
Published by
Amplifier Circuit

Recent Posts

10-100W Class-D Power Audio Amplifier Using MD7120 MOSFET Driver

Class-D Power Audio Amplifier Using MD7120 MOSFET Driver This is the circuit design of Class-D…

3 years ago

Active Antenna Amplifier For FM Radio

This is the circuit diagram of active antenna amplifier for FM radio device. With only…

5 years ago

400 Watt 70 Volt Amplifier

This is the schematic design of 400 Watt 70 Volt amplifier capable to deliver about…

7 years ago

150W Power Amplifier using Transistor

This is the circuit diagram of 150W power amplifier which built using power transistors. The…

7 years ago

1000W Stereo Audio Amplifier with Transistors 2SC5200 and 2SA1943

This is the circuit design of 1000W stereo audio amplifier. It is a very good…

7 years ago

150W Car Audio Amplifier

This is the circuit design of 150W car audio amplifier. The circuit is divided in…

7 years ago