Categories: Audio Amplifier

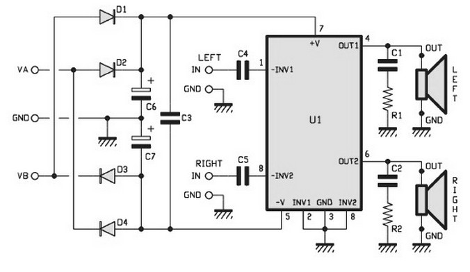
30W Stereo power amplifier based TDA 1521

It is small and compact stereo amplifier is powerful but can easily be used to replace your broken amplifier or new construction, or to make an active speaker, in all cases combined with a preamplifier. With remarkable features make it the true Hi-Fi amplifier.

Using only active component (the right and left channel) Philips TDA1521 monolithic integrated circuit, which contains a double line-end audio amplifier completely independent, each capable of providing from 10 to 12 W to the load 8 ohm or 15 W into 4 ohms (30 W music). Voltage gains of the amplifier is fixed at 30 dB.

SPECIFICATIONS :
– Power supply: 12 V symmetrical dual voltage
– Maximum Power Output RMS: 2 x 15W / 4 ohms, 2 x 10 W / 8 ohms
– Maximum power output music: 2 x 30 W / 4 ohms
– Harmonic Distortion: 0.007% (1 W / 1 kHz)
– Input sensitivity: 300 mV / 20 kOhms
– Frequency: 7 Hz to 60 kHz (-3 dB)
– 70 dB for each channel
– Output power (R = 8 ohms): 2 x 10 W RMS
– Output power (R = 4 ohms): 2 x 15 W RMS
– Bandwidth (-3 dB): 7 to 60 000 Hz
– Sensitivity to maximum power (8 ohms): 290 mVrms
– Sensitivity to maximum power (4 ohms): 250 mVrms
– Input impedance: 20 kilohms
– S / N Ratio: 98 dB
– Crosstalk: -70 dB
– High quality stereo amplifier
– Low noise
– Protection against overload

Parts list :
R1 …. 8.2 Ω 1/4 W
R2 …. 8.2 Ω 1/4 W
C1 …. 22 nF ceramic
C2 …. 22 nF ceramic
C3 …. 100 nF multilayer
C4 …. 1 uF 63 V Polyester
C5 …. 1 uF 63 V Polyester
C6 …. 4700 uF 25 V electrolytic
C7 …. 4700 uF 25 Vélectrolytique
D1 …. 1N5404
D2 …. 1N5404
D3 …. 1N5404
D4 …. 1N5404
U1 …. TDA1521
Miscellaneous :
1 …… heatsink (Rth less than 3.3 ° C / W)
2 …… 3MA bolts 12 mm Unless otherwise specified, all
resistors are 1/4 W 5%

 

Amplifier Circuit

Recent Posts

10-100W Class-D Power Audio Amplifier Using MD7120 MOSFET Driver

Class-D Power Audio Amplifier Using MD7120 MOSFET Driver This is the circuit design of Class-D…

3 years ago

Active Antenna Amplifier For FM Radio

This is the circuit diagram of active antenna amplifier for FM radio device. With only…

5 years ago

400 Watt 70 Volt Amplifier

This is the schematic design of 400 Watt 70 Volt amplifier capable to deliver about…

7 years ago

150W Power Amplifier using Transistor

This is the circuit diagram of 150W power amplifier which built using power transistors. The…

7 years ago

1000W Stereo Audio Amplifier with Transistors 2SC5200 and 2SA1943

This is the circuit design of 1000W stereo audio amplifier. It is a very good…

7 years ago

150W Car Audio Amplifier

This is the circuit design of 150W car audio amplifier. The circuit is divided in…

7 years ago