Categories: Amplifier Guide

Power Amplifier Basic (Part 1)

My previous post was mostly about schemes amplifier circuit without knowing what it is an power amplifier. In this post will be discussed on the the Power amplifier basic, what is inside and how they work.

What is a Power Amplifier – on, for brevity, usually called “PA”. In general, the Power amplifier block diagram is divided into three parts:

  • The input stage
  • Intermediate stage
  • The output stage

These three sections do one task – to increase power output to levels that can drive the load with low impedance – the dynamic head or headphones. How do they do? It’s easy – PA requires direct current power supply and converts it to AC, but keep the shape of the output signal follows the shape of the input signal.

But, unfortunately, all that is good only in theory. In practice, audio design, we use a non-ideal resistors, capacitors and transistors, in particular. Therefore, the output can be very different form of input seriously, and this problem is called distortion.

Why the distortion – it’s a bad thing? this will affect the clarity of sound. So, let’s look at the different ways of constructing the terminal stages of the PA, which is also called classes (or modes) amplifiers. Probably heard of – power amplifier, Class A, Class AB amplifier – that is, it is.

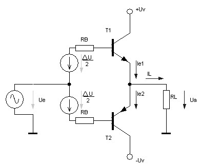
To begin with, let’s look at the overall concept output stage PA.


This push-pull on the complementary transistors. As can be seen in the base circuit of transistors integrated voltage sources forming the initial displacement of the working point of each of the transistors. So just the magnitude of this voltage depends on which mode (class) would work or that the output stage.

Well, start from the – Amplifier class A.

Amplifier Circuit

View Comments

Recent Posts

10-100W Class-D Power Audio Amplifier Using MD7120 MOSFET Driver

Class-D Power Audio Amplifier Using MD7120 MOSFET Driver This is the circuit design of Class-D…

3 years ago

Active Antenna Amplifier For FM Radio

This is the circuit diagram of active antenna amplifier for FM radio device. With only…

5 years ago

400 Watt 70 Volt Amplifier

This is the schematic design of 400 Watt 70 Volt amplifier capable to deliver about…

7 years ago

150W Power Amplifier using Transistor

This is the circuit diagram of 150W power amplifier which built using power transistors. The…

7 years ago

1000W Stereo Audio Amplifier with Transistors 2SC5200 and 2SA1943

This is the circuit design of 1000W stereo audio amplifier. It is a very good…

7 years ago

150W Car Audio Amplifier

This is the circuit design of 150W car audio amplifier. The circuit is divided in…

7 years ago