Categories: Pre-amplifier

Mono Preamp based on CMOS IC CD4069

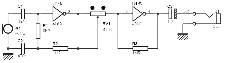
Microphone preamp described here is not a professional preamp, but the original preamp and it is cheap and easy to build. Why the original? Because it does not use non-conventional transistors or operational amplifiers (op amps) to amplify the signal from the microphone, but a set of logic gates are commonly used in digital electronics. Digital ICs used are as in the title above which is cmos CD 4049.

As said above, this scheme there are no transistors or components “analog” to ensure amplification of the signal from the microphone. Except for only two logic gates share the work. Microphones, which are provided to capture the sound,
connected to the input of the first logic gate U1: A. This ensures that the amplifier logic gate rate is determined by the value of the resistors R1 and R2. The second logic gate U1: B, in turn, ensures that amplification can be adjusted using potentiometer RV1.

Note: The microphone must be magnetic low impedance (50 ohms and 600 ohms). If your microphone electret type with two legs or three legs, you need to add resistance to power.

Amplifier Circuit

Share
Published by
Amplifier Circuit

Recent Posts

10-100W Class-D Power Audio Amplifier Using MD7120 MOSFET Driver

Class-D Power Audio Amplifier Using MD7120 MOSFET Driver This is the circuit design of Class-D…

3 years ago

Active Antenna Amplifier For FM Radio

This is the circuit diagram of active antenna amplifier for FM radio device. With only…

5 years ago

400 Watt 70 Volt Amplifier

This is the schematic design of 400 Watt 70 Volt amplifier capable to deliver about…

7 years ago

150W Power Amplifier using Transistor

This is the circuit diagram of 150W power amplifier which built using power transistors. The…

7 years ago

1000W Stereo Audio Amplifier with Transistors 2SC5200 and 2SA1943

This is the circuit design of 1000W stereo audio amplifier. It is a very good…

7 years ago

150W Car Audio Amplifier

This is the circuit design of 150W car audio amplifier. The circuit is divided in…

7 years ago