Categories: RF Amplifier

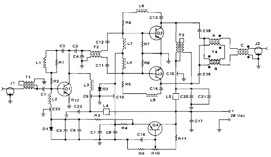
160 W (PEP) Broadband Linier Amplifier

This is another circuit RF amplifier that I took from the Encyclopedia of electronic circuit Volume I. The circuit is quite hard to build since the components is complex and need more attention for the Inductors,

160 W (PEP) Broadband Linier Amplifier parts list :
C1 : 0.033 µF mylar
C2, C3 : 0,01 µF mylar
C4 : 520 pF dipped mica
C5, C7, C16 : 0.1 nF ceramic
C6 : 100 uF/15 V electrolytic
CS : 500 µF/6 V electrolytic
C9, C10, C15, C22 : 1000 pF feed through
C11, C12 : 0.01 pF
C13, C14 : 0.015 Pic mylar
C17 : 10µF/35 V nlectroiytnc
C18, C19, C21 : Two 0.068 pF mylars in parallel
C20 : 0.1 uF disc ceramic
C23 : 0.1 µF disc ceramic
R1 : 220 Ω, 1/4 W carbon
R2 : 47 Ω , 1/2 W carbon
R3 : 820 Ω, 1 W wire W
R4 : 35 Ω, 5 W wire W
R5, R6 : Two 150 Ω, 1/2 W carbon in parallel
R7, R8 : 10 Ω, 1/2 W carbon
R9, R11 : 1 k, 1/2 W carbon
R10 : 1 k, 1/2 W potentiometer
R12 : 0.85 Ω (6 5 1 Ω or 4 3.3 Ω 1/4 W resistors in parallel, divided equally between both emitter leads)
L1 : .33 pH, molded choke
L2, L6, L7 : 10 pH, molded choke
L3 : 1 8 uH (Onmite 2 144)
L4, L5 - 3 ferrite beads each
L8, L9 - 22 uH, molded choke
Q1 : 2N6370
Q2, Q3 : 2N5942
Q4 : 2N5190
01 : 1N40O1
D2 : 1 N4997
J1, J2 : BNC connactors

T1 : 4 1 Transformer, 6 turns, 2 twisted pairs of #26. AWG enameled wire (8 twists per inch)
T2 : 1 1 Balun, 6 turns, 2 twisted pairs of #24 AW enameled wire (6 twists per inch)
T3 : Collector choke, 4 turns, 2 twisted pairs of #22 AWG enameled wire (6 twists per inch)
T4 : 1 4 Transformer Balun, A&B – 5 turns, 2 twisted pairs of #24, C – 8 turns, 1 twisted pair of #24 AWG enameled wire (All windings 6 twists per inch).
( T4 – Indiana General F624-1901, – All others are Indiana General F62 / 801 ferrite toroids or equivalent.)

Amplifier Circuit

Share
Published by
Amplifier Circuit

Recent Posts

10-100W Class-D Power Audio Amplifier Using MD7120 MOSFET Driver

Class-D Power Audio Amplifier Using MD7120 MOSFET Driver This is the circuit design of Class-D…

54 years ago

Active Antenna Amplifier For FM Radio

This is the circuit diagram of active antenna amplifier for FM radio device. With only…

54 years ago

400 Watt 70 Volt Amplifier

This is the schematic design of 400 Watt 70 Volt amplifier capable to deliver about…

54 years ago

150W Power Amplifier using Transistor

This is the circuit diagram of 150W power amplifier which built using power transistors. The…

54 years ago

1000W Stereo Audio Amplifier with Transistors 2SC5200 and 2SA1943

This is the circuit design of 1000W stereo audio amplifier. It is a very good…

54 years ago

150W Car Audio Amplifier

This is the circuit design of 150W car audio amplifier. The circuit is divided in…

54 years ago