Categories: Audio Amplifier

10 Watt Transistor audio amplifier

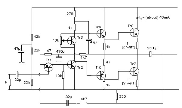
This circuit can have a power output of 10 Watt. It simply uses ordinary transistors. The 10 w amplifier circuit is unstable if the input is not connected. When performing the test, connect a resistor (about 3k3).

List of Transistors:
Tr1 : BCY70 (or BC 182L or BC212L or BC214L)
Tr2/3/4  : BFY50/51
Tr5 :  BFX88
Tr6/7 : 2N3055

The Power supply for 10 Watt Transistor audio amplifier requires smoothed voltage about 20 to 30 volts. Peak power of more than 10 Watt. The table shows the approximate voltage that is expected when using a 24v supply and a variable resistor is set to deliver a current of about 40mA in the output stage.

Test point Approximate voltage
Tr1(e) 12·5
Tr1(c) 0·65
Tr2(c) 12·5
Tr3(c) 14·4
Tr4(e) 13·7
Tr5(e) 13·1
Tr5(c) 0·6
Tr7(c) 13·1
Amplifier Circuit

Share
Published by
Amplifier Circuit

Recent Posts

10-100W Class-D Power Audio Amplifier Using MD7120 MOSFET Driver

Class-D Power Audio Amplifier Using MD7120 MOSFET Driver This is the circuit design of Class-D…

3 years ago

Active Antenna Amplifier For FM Radio

This is the circuit diagram of active antenna amplifier for FM radio device. With only…

5 years ago

400 Watt 70 Volt Amplifier

This is the schematic design of 400 Watt 70 Volt amplifier capable to deliver about…

7 years ago

150W Power Amplifier using Transistor

This is the circuit diagram of 150W power amplifier which built using power transistors. The…

7 years ago

1000W Stereo Audio Amplifier with Transistors 2SC5200 and 2SA1943

This is the circuit design of 1000W stereo audio amplifier. It is a very good…

7 years ago

150W Car Audio Amplifier

This is the circuit design of 150W car audio amplifier. The circuit is divided in…

7 years ago